其它系列产品
ZJ-HND 称重传感器
ZJ-HR 称重传感器
ZJ-HSX-D数字传感器
ZJ-LFSQ 称重传感器
ZJ-NHS-A(-ASS) 称重模块
ZJ-NKE-SS 压力传感器
ZJ-QS-D10-40tl数字传感器
ZJ-QS-D50t H,M 数字传感器
ZJ-SB-D 数字传感器
ZJ-YBSC-A称重传感器
ZJ-NHS 称重模块
ZJ-QSB 称重模块
ZJ-HSX称重模块
ZJ-H3称重传感器
ZJ-HSX波纹管称重传感器
ZJ-IL 称重传感器
ZJ-L6D称重传感器
ZJ-L6E3 称重传感器
ZJ-L6G单点式称重传感器
ZJ-L6L单点式称重传感器
ZJ-L6N 称重传感器
ZJ-SBC称重传感器
ZJ-SB称重传感器
ZJ-ZSF(ZSFY)-A称重模块
ZJ-ZSFB-D 数字传感器
ZJ-ZSGB-D 数字传感器
ZJ-ZSKB-A(-ASS) 称重模块
ZJ-ZSNC-D 数字传感器
ZJ-SBC称重传感器
ZJ-SBC称重传感器

ZJ-SBC称重传感器(图)
型号说明:ZJ-SBC
产品特点:
◆量程:250lb~20Klb;100kg~10t
◆不锈钢材料,内部灌胶密封,防油、防水、耐腐蚀
◆体积小巧,外型美观,安装使用方便灵活
应用领域:
叉车秤、低平台秤、电子汽车衡、汽检线、料斗秤等各类电子称重设备
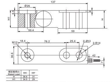
产品尺寸图:

技术参数:
额定载荷 | 0.1/0.15/0.2/0.25/0.3/0.4/0.5/0.75/1/ 1.5/2/3/5/7.5/10 t |
250/500/750/1K/1.5K/2K/2.5K/2.5KLE/3K/4K/ 5K/5KSE/7.5K/10K /15K/20Klb | |
输出灵敏度 | 2.0±0.002 (mv/v) |
输入阻抗 | 350±3.5 Ω |
输出阻抗 | 351±2 Ω |
综合误差 | ≤± 0.020 |
蠕变 | ≤± 0.016 |
温度对输出灵敏度的影响 | ≤± 0.011 |
温度对零点输出的影响 | ≤± 0.019 |
零点输出 | 1.5 %F.S |
温度补偿范围 | 10~+40 ℃ |
允许使用温度范围 | 35~+65 ℃ |
推荐激励电压 | 5~12 DC V |
最大激励电压 | 18 DC V |
安全过载范围 | 120 %FS |
极限过载范围 | 120 %FS |
绝缘阻抗 | ≥ 5000(50VDC) MΩ |
若需了解更多详细内容请咨询0510-80252381