其它系列产品
ZJ-HND 称重传感器
ZJ-HR 称重传感器
ZJ-HSX-D数字传感器
ZJ-LFSQ 称重传感器
ZJ-NHS-A(-ASS) 称重模块
ZJ-NKE-SS 压力传感器
ZJ-QS-D10-40tl数字传感器
ZJ-QS-D50t H,M 数字传感器
ZJ-SB-D 数字传感器
ZJ-YBSC-A称重传感器
ZJ-NHS 称重模块
ZJ-QSB 称重模块
ZJ-HSX称重模块
ZJ-H3称重传感器
ZJ-HSX波纹管称重传感器
ZJ-IL 称重传感器
ZJ-L6D称重传感器
ZJ-L6E3 称重传感器
ZJ-L6G单点式称重传感器
ZJ-L6L单点式称重传感器
ZJ-L6N 称重传感器
ZJ-SBC称重传感器
ZJ-SB称重传感器
ZJ-ZSF(ZSFY)-A称重模块
ZJ-ZSFB-D 数字传感器
ZJ-ZSGB-D 数字传感器
ZJ-ZSKB-A(-ASS) 称重模块
ZJ-ZSNC-D 数字传感器
ZJ-QSB 称重模块
ZJ-QSB 称重模块

型号说明:ZJ-QSB 罐体称重模块
产品特点:
u 模块化的安装底板,承载吊环和平台采用优化结构设计,并采用与传感器相匹配的材料和处理工艺
u 自动中心复位,拉向设计,多方位转动,具有优异的抗偏载能力
u 安装稳定性高,对秤体承载后的变形和由温度引起的变形具有自动调整能力
u 使用简便,免维护保养
u 多种安装方式,可径向、切向、矩形安装
u 适用于桶槽、料罐等系统的称量
u 可提供高温型、防爆型
应用领域:
适用于恶劣环境下,料仓秤、罐体的称重控制,主要适用于侧向力较小的静载荷称重模块
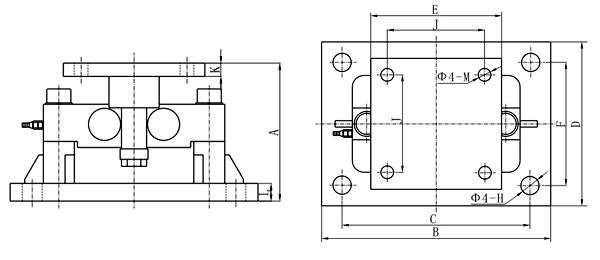
产品尺寸图:

量程(t) | 10~25t | 40t | 50~75t |
A | 165 | 198 | 241.3 |
B | 254 | 355.6 | 355.6 |
C | 190.5 | 292 | 292 |
D | 203 | 254 | 254 |
E | 203 | 203 | 229 |
F | 152 | 190.5 | 190.5 |
H | 19.8 | 28.4 | 28.4 |
J | 152 | 152 | 165 |
K | 19.1 | 19.1 | 25.4 |
L | 19.1 | 25.4 | 25.4 |
M | 19.8 | 19.8 | 28.4 |
安装方式图:

技术参数:
额定载荷 | 10,20,25,40,50,60,75klb |
灵敏度 | 3.0±0.03mV/V |
综合误差 | ±0.05%F.S |
蠕变 | ±0.02%F.S/30min |
零点平衡 | ±1%F.S |
零点温漂 | ±0.02%F.S/10℃ |
输出温漂 | ±0.02%F.S/10℃ |
输入阻抗 | 750±10Ω |
输出阻抗 | 702±3Ω;702±5Ω(L≥15m) |
绝缘电阻 | ≥5000MΩ |
工作温度 | -30~+70℃ |
安全过载 | 150%F.S |
极限过载 | 250%F.S |
推荐激励电压 | 10V |
密封等级 | IP68 |
材质 | 不锈钢,合金钢 |
电缆 | 12m(10~4klbt),16m(50~75klb) |