其它系列产品
ZJ-HND 称重传感器
ZJ-HR 称重传感器
ZJ-HSX-D数字传感器
ZJ-LFSQ 称重传感器
ZJ-NHS-A(-ASS) 称重模块
ZJ-NKE-SS 压力传感器
ZJ-QS-D10-40tl数字传感器
ZJ-QS-D50t H,M 数字传感器
ZJ-SB-D 数字传感器
ZJ-YBSC-A称重传感器
ZJ-NHS 称重模块
ZJ-QSB 称重模块
ZJ-HSX称重模块
ZJ-H3称重传感器
ZJ-HSX波纹管称重传感器
ZJ-IL 称重传感器
ZJ-L6D称重传感器
ZJ-L6E3 称重传感器
ZJ-L6G单点式称重传感器
ZJ-L6L单点式称重传感器
ZJ-L6N 称重传感器
ZJ-SBC称重传感器
ZJ-SB称重传感器
ZJ-ZSF(ZSFY)-A称重模块
ZJ-ZSFB-D 数字传感器
ZJ-ZSGB-D 数字传感器
ZJ-ZSKB-A(-ASS) 称重模块
ZJ-ZSNC-D 数字传感器
ZJ-NHS 称重模块
ZJ-NHS 称重模块

型号说明:ZJ-NHS 大罐称重模块
产品特点:
u 结构扁平低矮,安装及替换方便
u 弹性底座由特种工艺制作,具有自动复位、缓冲压力、吸收振动、防止承载板起翘的功能
u 模块承载架与底座板的套接方式,使系统设备具有一定的水平位移空间,同时又起到水平限位作用
u 适用于大型灌体容器秤、料斗秤、和配料系统等称重设备
u 可提供高温型
应用领域:
适用于大型灌体容器秤、料斗秤、和配料系统等称重设备
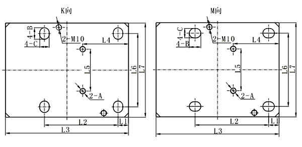
产品尺寸图:


量程(t) | 10~22t | 33t | 47t | 68t | 100t | 150t |
A | M10 | M12 | M16 | M16 | M20 | M20 |
B | 22 | 26 | 30 | 30 | 30 | 30 |
C | 18 | 22 | 26 | 26 | 26 | 26 |
H | 150 | 192 | 230 | 240 | 300 | 300 |
H1 | 10 | 12 | 20 | 20 | 30 | 30 |
L1 | 20 | 35 | 45 | 45 | 35 | 35 |
L2 | 140 | 200 | 230 | 230 | 245 | 245 |
L3 | 235 | 340 | 380 | 380 | 410 | 410 |
L4 | 90 | 135 | 150 | 150 | 155 | 155 |
L5 | 80 | 120 | 150 | 150 | 155 | 155 |
L6 | 140 | 200 | 230 | 230 | 245 | 245 |
L7 | 180 | 250 | 280 | 280 | 310 | 310 |
L8 | 180 | 250 | 280 | 280 | 310 | 310 |
安装方式图:

技术参数:
额定载荷 | 10,15,22,33,47,68,100,150t |
灵敏度 | 2.85±0.005mV/V |
综合误差 | 0.05%F.S;0.1%F.S |
蠕变 | ±0.03%F.S/30min |
零点平衡 | ±1%F.S |
零点温漂 | ±0.03%F.S/10℃ |
输出温漂 | ±0.03%F.S/10℃ |
输入阻抗 | 1450±10Ω |
输出阻抗 | 1402±3Ω,1402±5Ω(L≥15m) |
绝缘电阻 | ≥5000MΩ |
工作温度 | -30~+70℃ |
安全过载 | 150%F.S |
极限过载 | 200%F.S |
推荐激励电压 | 10V |
密封等级 | IP68 |
材质 | 不锈钢,合金钢 |
电缆 | 12m(10~33t),15m(47~150t) |