其它系列产品
ZJ-HND 称重传感器
ZJ-HR 称重传感器
ZJ-HSX-D数字传感器
ZJ-LFSQ 称重传感器
ZJ-NHS-A(-ASS) 称重模块
ZJ-NKE-SS 压力传感器
ZJ-QS-D10-40tl数字传感器
ZJ-QS-D50t H,M 数字传感器
ZJ-SB-D 数字传感器
ZJ-YBSC-A称重传感器
ZJ-NHS 称重模块
ZJ-QSB 称重模块
ZJ-HSX称重模块
ZJ-H3称重传感器
ZJ-HSX波纹管称重传感器
ZJ-IL 称重传感器
ZJ-L6D称重传感器
ZJ-L6E3 称重传感器
ZJ-L6G单点式称重传感器
ZJ-L6L单点式称重传感器
ZJ-L6N 称重传感器
ZJ-SBC称重传感器
ZJ-SB称重传感器
ZJ-ZSF(ZSFY)-A称重模块
ZJ-ZSFB-D 数字传感器
ZJ-ZSGB-D 数字传感器
ZJ-ZSKB-A(-ASS) 称重模块
ZJ-ZSNC-D 数字传感器
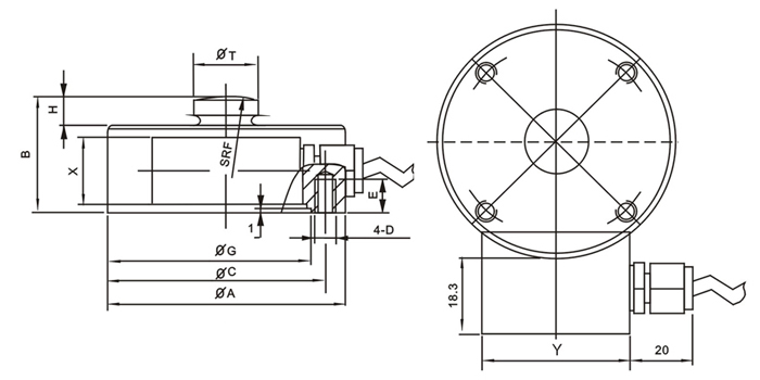
ZJ-YBSC-A称重传感器
ZJ-YBSC-A称重传感器

型号说明:ZJ-YBSC-A称重传感器
应用领域:
料罐秤、各种压式测力场合
产品尺寸图:




技术参数:
额定载荷 | 0.1,0.2,0.5,1,2,5,10,20,30,50t |
灵敏度 | 2.0±0.05mV/V(0.05~1t);2.0±0.02mV/V(2~50t) |
综合误差 | ±0.5%F.S(0.05~1t);±0.03%F.S(2~50t) |
蠕变(30min) | ±0.05%F.S |
零点平衡 | ±1%F.S |
零点温度影响 | ±0.05%F.S/10℃ |
输出温度影响 | ±0.05%F.S/10℃ |
输入阻抗 | 400±20Ω |
输出阻抗 | 352±3Ω |
绝缘电阻 | ≥5000MΩ |
温度补偿范围 | -10℃~+40℃ |
工作温度范围 | -30℃~+70℃ |
安全过载 | 150%F.S |
极限过载 | 180%F.S |
推荐激励电压 | 10~12V DC |
最大激励电压 | 15V DC |
防封等级 | IP68 |
材料 | 合金钢 |
电缆 | 3m(0.05~1t),6m(2~5t),12m(10~50t), ;¢5mm |
接线方式 | Exc+(红);Exc-(黑);Sig+(绿);Sig-(白) |