其它系列产品
ZJ-HND 称重传感器
ZJ-HR 称重传感器
ZJ-HSX-D数字传感器
ZJ-LFSQ 称重传感器
ZJ-NHS-A(-ASS) 称重模块
ZJ-NKE-SS 压力传感器
ZJ-QS-D10-40tl数字传感器
ZJ-QS-D50t H,M 数字传感器
ZJ-SB-D 数字传感器
ZJ-YBSC-A称重传感器
ZJ-NHS 称重模块
ZJ-QSB 称重模块
ZJ-HSX称重模块
ZJ-H3称重传感器
ZJ-HSX波纹管称重传感器
ZJ-IL 称重传感器
ZJ-L6D称重传感器
ZJ-L6E3 称重传感器
ZJ-L6G单点式称重传感器
ZJ-L6L单点式称重传感器
ZJ-L6N 称重传感器
ZJ-SBC称重传感器
ZJ-SB称重传感器
ZJ-ZSF(ZSFY)-A称重模块
ZJ-ZSFB-D 数字传感器
ZJ-ZSGB-D 数字传感器
ZJ-ZSKB-A(-ASS) 称重模块
ZJ-ZSNC-D 数字传感器
ZJ-QS-D10-40tl数字传感器
ZJ-QS-D10-40tl数字传感器

型号说明:ZJ-QS-D10-40tl数字传感器
应用领域:
料斗秤、皮带秤、配料系统
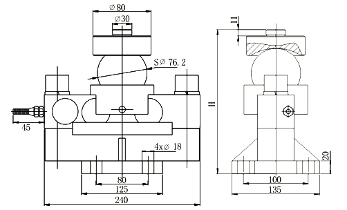
产品尺寸图:

技术参数:
额定载荷 | 10,15,20/25,30,40,50t |
额定输出 | 20000/25000,30000,40000,50000码 |
数字模块有效分辨率数 | 200000码 |
数字刷新速率 | 50Hz |
通讯波特率 | 9600BPS |
综合精度 | ±0.02%F.S |
蠕变(30min) | ±0.02%F.S |
温度系数 | ±0.02%F.S/10℃ |
工作温度范围 | -30℃~+70℃ |
零点输出 | ±0.1%F.S |
安全过载 | 150%F.S |
推荐输入电压 | 9~12V DC |
最大输入电压 | 20V DC |
防封等级 | IP68 |
最大信号传输距离 | 1200m |