其它系列产品
ZJ-HND 称重传感器
ZJ-HR 称重传感器
ZJ-HSX-D数字传感器
ZJ-LFSQ 称重传感器
ZJ-NHS-A(-ASS) 称重模块
ZJ-NKE-SS 压力传感器
ZJ-QS-D10-40tl数字传感器
ZJ-QS-D50t H,M 数字传感器
ZJ-SB-D 数字传感器
ZJ-YBSC-A称重传感器
ZJ-NHS 称重模块
ZJ-QSB 称重模块
ZJ-HSX称重模块
ZJ-H3称重传感器
ZJ-HSX波纹管称重传感器
ZJ-IL 称重传感器
ZJ-L6D称重传感器
ZJ-L6E3 称重传感器
ZJ-L6G单点式称重传感器
ZJ-L6L单点式称重传感器
ZJ-L6N 称重传感器
ZJ-SBC称重传感器
ZJ-SB称重传感器
ZJ-ZSF(ZSFY)-A称重模块
ZJ-ZSFB-D 数字传感器
ZJ-ZSGB-D 数字传感器
ZJ-ZSKB-A(-ASS) 称重模块
ZJ-ZSNC-D 数字传感器
ZJ-HR 称重传感器
ZJ-HR 称重传感器

型号说明:ZJ-HR 称重传感器
应用领域:
汽车衡、静态料斗秤
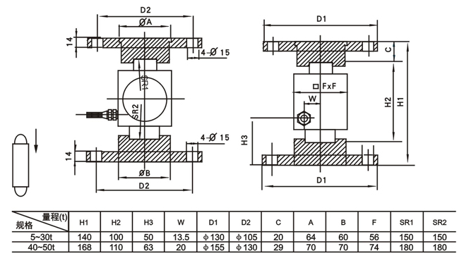
产品尺寸图:

技术参数:
额定载荷 | 5,10,20,30,40,50t |
灵敏度 | 2.0±0.005mV/V |
综合误差 | ±0.05%F.S |
蠕变(30min) | ±0.03%F.S |
零点平衡 | ±1%F.S |
零点温度影响 | ±0.03%F.S/10℃ |
输出温度影响 | ±0.03%F.S/10℃ |
输入阻抗 | 400±10Ω |
输出阻抗 | 352±3Ω;352±5Ω(L≥15m) |
绝缘电阻 | ≥5000MΩ |
温度补偿范围 | -10℃~+40℃ |
工作温度范围 | -30℃~+70℃ |
安全过载 | 150%F.S |
极限过载 | 250%F.S |
推荐激励电压 | 10~12V DC |
最大激励电压 | 15V DC |
防封等级 | IP67 |
材料 | 合金钢 |
电缆 | 8m(5~10t),12m(20~30t),16m(40~50t) ;¢6mm |
接线方式 | Exc+(红);Exc-(黑);Sig+(绿);Sig-(白) |