ZJ-LB1000系列射频导纳料位开关
型号说明:ZJ-LB1000系列 射频导纳料位开关
工作原理:
导纳式料位开关是从我们已有的电容式料位开关改进的方案。由于高粘度的介质粘附在电容式料位开关的探头上而产生虚假报警,为了消除这一现象,在有并效部分和接地部分之间增加一个特殊物质作为一个绝缘电极。如图所示,探头常常有遭到介质粘附在其上的现象,因此引起一个电容,并且在这三部分上产生电阻。因为有效部分和防护部分的电磁场是一个圆形,在电极之间没有电流通过介质。导纳料位开关利用这一原理,在有效部分和接地部分增加保护部分,来屏蔽导纳电流,从介质的有效部分和接地部分到达罐壁。虽然在保护部分和有效部分之间有少量的导纳电流,电路不会考虑这个电流值。由于有保护部分,只有有效部和罐壁之间的改变的导纳电流被电流检测到。因此,仅当探头和介质连接,就会有一个精确的信号。信号的精确度与介质的介电常数成适当的比例,和它的电阻值成反比。这个信号很容易被电路检测到,并且有一个输出控制信号。因此,这类特殊电极类型结构能够检测不同成分的介质,也不会受到覆盖其上的粘稠介质的影响。
产品特点:
u 被覆盖上物质后,不会受影响。
u 易安装。
u 稳定性好,不受温度影响。
u 0-90秒时间延迟功能。
u 防护等级:IP65。
u DPDT/5A输出。
u 最高温度:550℃
u 高/低失效安全模式可选。
u 应用于液体、糖浆、固体、晶粒、和界面检测。
应用领域:
粉料仓、水井、水池、药桶、酸碱桶等各种液体、粉体、颗粒的料位检测、控制及界面检测
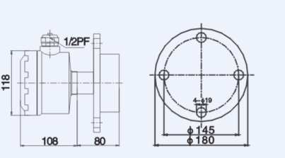
产品尺寸图:

标准型

钢索型

平板型

防爆标准型

防爆钢索型
技术参数:
接线盒 | 铝合金感应棒接线 |
材质 | SUS304 |
绝缘材质 | PVDF、PFA、PTEE、陶瓷 |
工作温度 | -10℃~+120℃(+230℃、+550℃) |
接续规格 | 1"PT |
供电电源 | DC24V AC110/220V 50/60Hz |
消耗功率 | 2.3W |
灵敏度范围 | ≤<0.5pf |
输出接点 | SPDT或DPDT 5A/AC250V |
延时设定 | 1~10秒 |
出线口 | M16*1.5 |
若需了解更多详细内容请咨询0510-80252381