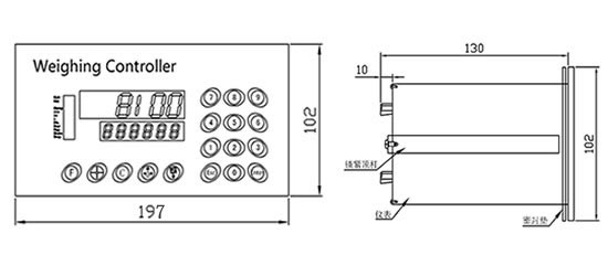
ZJ8100B称重显示控制器
ZJ8100B称重显示控制器

应用范围:
ZJ8100B称重显示控制器是针对自动定量包装秤行业而专门开发的一款称重显示控制仪表。广泛应用于建筑建材、化工原料、粮食饲料、电力环保、机械制造、冶金等需要自动定量包装的场所。
产品特点:
1、硬件特点:
u 10V驱动电压,可驱动最多 4 个350欧姆的模拟式传感器
u 高精度、高分辨率Σ-Δ型A/D转换,内部A/D转换速率大于300次/秒
u 2个高亮白色LED显示器:可分别显示实际称重值、累计重量及累计次数等信息
u 17个键盘,包括数字和功能键
u 显示分度为1,000~50,000d可选,分度值:0.0001~5可选
u 标配2个串口 (RS232/RS485,数据格式为连续/命令可选)
u 实时时钟电路,带断电保护
u 带光电隔离的I/O接口:8入/12出
u 全球通用电源,从87VAC~264VAC
u 全金属结构,前面板防护等级为IP65
u 使用高可靠性和方便现场联线的接插件
u 可随时通过RS-232对内部的软件进行升级或更新
u 采用SMT技术,高可靠性及稳定性和产品一致性
2、软件特点
u 高速软件滤波模型,极大的提高包装速度和精度
u 内置多种固定包装模式,无须PLC支持可直接驱动继电器完成功能
u 可进行一般的定值包装、带拍打振实包装、散粮秤等功能
u 可存储10种配方,每个配方有 8 位累计重量值和5位累计包数值
u 可预置累计重量值或包数值,数据带断电保护
u 支持MODBUS通讯协议,可以和上位机进行数据交换和状态传递
u 自动零位跟踪
u 13个时间延时设定功能
u 提前量(落差值)自动精准修正功能
u 动态检测功能
u 人性化的操作、设定,简单方便,多种快捷键方便设置定量参数值
u 独特的防震动和抗干扰滤波技术,可防止由于秤体的振动和变频器干扰带来的误差
u 可单独保存调试所用参数及调试参数的恢复
技术参数:
电源供应 | 87V~264V (AC)开关电源,频率为48Hz~62Hz,约8W(可选) |
适用环境 | 使用温度为:-10℃~+40℃,湿度为10%~95%,不冷凝 |
安装方式 | 控制器的外壳为铝合金拉伸件,前面板为不绣钢,符合IP65要求 |
重量 | 约2.0Kg |
显示器和键盘 | 显示器为2个高亮白色LED显示器。键盘为17个薄膜轻触按键。 |
显示量程范围 | 显示范围1000-50000 |
显示分度间距 | 分度值0.0001~5可选 |
小数点位置 | 可选十位、百位、千位、万位 |
超载显示 | ┌────┐ |
欠载显示 | └────┘ |
负数显示 | 最左边数码管前面加“-”号 |
指示灯 | 共12个 |
适用的传感器类型 | 适用于所以电阻应变式测量与称重传感器 |
传感器激励电压 | +10VDC,最多可驱动4只350Ω的模拟式传感器 |
最小灵敏度 | 0.25uV/d |
输入信号范围 | (3~30)mV |
零点信号范围 | (0~30)mV |
温度系数 | ≤(读数的0.0008%+0.3d)/℃ |
量程稳定性 | 读数的±8ppm/K |
非线性误差 | ≤0.005%F.S |
内部分辨率 | 1/260000 |
最大显示分辨率 | 1/50000 |
采样速率 | 300次/秒 |
采样方法 | Delta-Sigma方法 |
开关输入接口 | 带光电隔离输出8个 |
开关输出接口 | 4个标配8个扩展,共计12个。 外接电压:DC12~24V,最大电流200mA |


若需了解更多详细内容请咨询0510-80252381