ZJ-KM02H 仪表
ZJ-KM02H 仪表

型号说明:ZJ-KM02H仪表
产品特点:
输出类型:0-5V/0-10V
连接1只传感器
采用两级放大电路
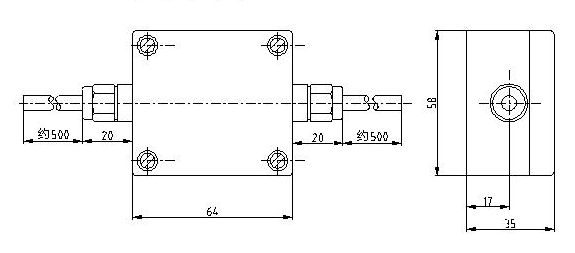
外形尺寸:64×58×35(mm)
应用领域:
适用于工业过程控制
技术参数:
电源 | 直流15-24V |
传感器激励电源 | 直流12V |
放大倍数 | 大约280-2500 |
精度 | 优于0.5%F.S |
产品尺寸图:

若需了解更多详细内容请咨询0510-80252381
ZJ-KM02H 仪表

型号说明:ZJ-KM02H仪表
产品特点:
输出类型:0-5V/0-10V
连接1只传感器
采用两级放大电路
外形尺寸:64×58×35(mm)
应用领域:
适用于工业过程控制
技术参数:
电源 | 直流15-24V |
传感器激励电源 | 直流12V |
放大倍数 | 大约280-2500 |
精度 | 优于0.5%F.S |
产品尺寸图:

若需了解更多详细内容请咨询0510-80252381