ZJ-86系列阻旋式料位开关
型号说明:ZJ-86系列 阻旋式料位开关
产品特点:
全密封性,室外也可使用,独特的油封设计可防止粉尘沿轴渗入。
经济实惠,常温、高温、加长、侧装、顶装、轴加强型,一应俱全、轻巧、安装容易,维修简便。
马达配有自动保护装置,针对不同密度、阻力的物料,料位开关灵敏度可调, 与物料接触部分全部为SUS304不锈钢材质针对块状、颗料状、粉末状物料。
应用范围:
广泛用于冶金、建材、混凝土、饲料、粮食、矿山、有色金属、港口散料、化工等行业的物料储存、运输状态的位置检测.
叶片规格:

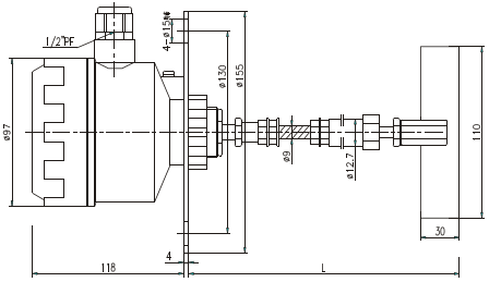
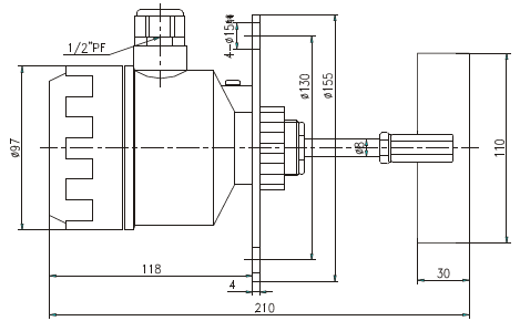
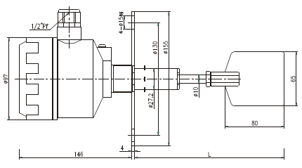
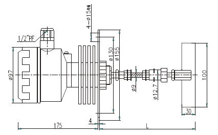
产品尺寸图:

86TA

86A

86GT

86FA

86FPB

86FGA

86FTA

86FTPB
技术参数:
电源 | AC110V/220V 50/60Hz |
消耗功率 | 3W |
触点容量 | SPDF AC220V/5A AC220V/3A |
叶片转速 | 1RPM |
隔离电压 | AC1500V/min |
转矩 | 30~100kg.cm |
介质比重 | ≥0.5克/立方厘米 |
安装尺寸 | 螺杆1"PF 3/4"PF 法兰JIS 2-1/2*5千克/立方厘米 |
若需了解更多详细内容请咨询0510-80252381